
Підшипник 8120 Л (51120 М) GPL/УКРАЇНА
Опис
Характеристики
Інформація для замовлення
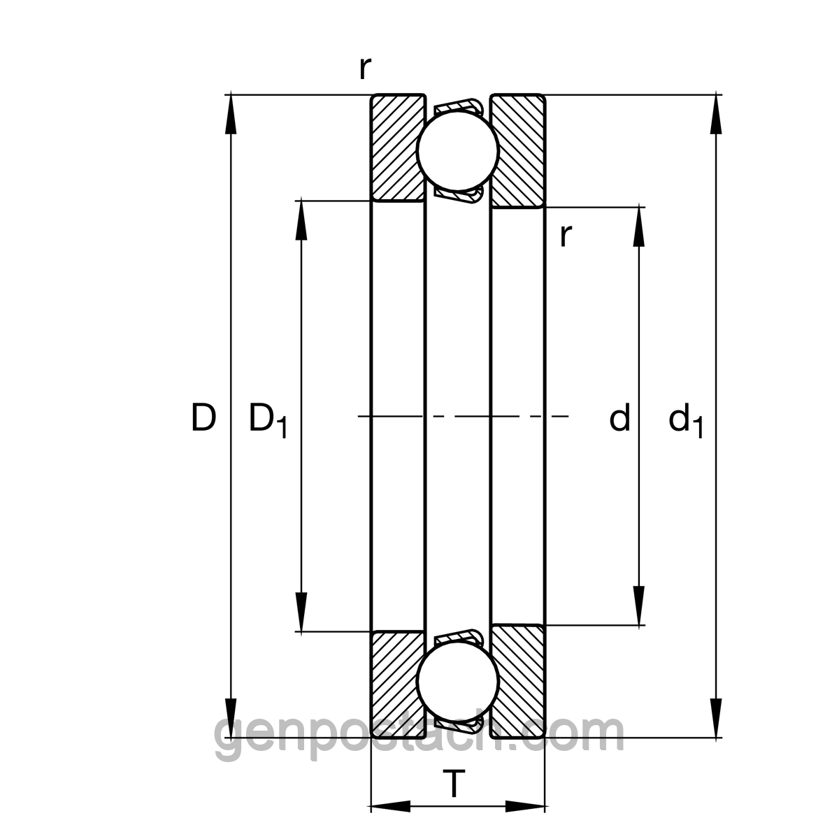
підшипник кульковий упорний однорядний
| Користувальницькі характеристики | |
|---|---|
| produkt ID (Довідник "Номенклатура" (Спільні)) | 1002327 |
| Вага одиниці, кг | 0.99 |
| Розмір 1 (вн) | 100 |
| Розмір 2 (дт) | 135 |
| Розмір 3 (шир) | 25 |
- Ціна: 362,80 ₴

